HPT38
38-ft. Truck-Mounted UnderBridge Inspection Platform
Available for:
- Rent
- Purchase






- Single-lane 5-minute deployment
- Self-propelled hydraulic drive
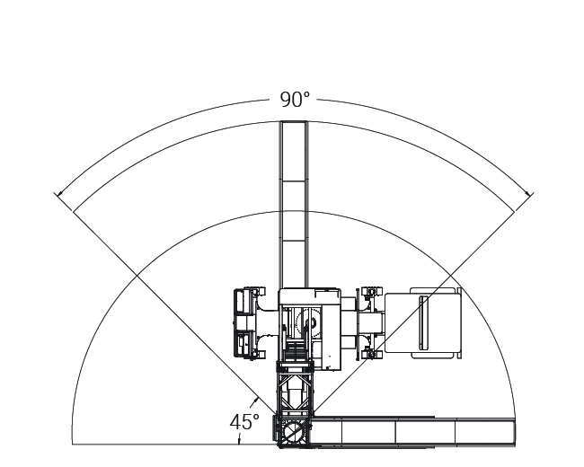
- Access crossover to tower remains horizontal at all times
- +- 5 degree tower adjustment for super elevation
- Operator-activated communication system at the main control panel; voice-activated communication system at the platform
- Kubota diesel engine is the main power supply for the pump-operated hydraulic system.
- Truck PTO serves as the secondary power source
- 110-volt power to the platform
- CANbus control system with 7” main panel display
- Level-sensing and load-sensing with visual and audible alarms
- Wireless remote with proportional paddles
- Fall arrest anchor points
- Air brake equipped
| SPECS | US | Metric |
|---|---|---|
| Platform Length | 38ft | 11.58m |
| Platform Width - I.D. Alum. | 2ft-7in | .79m |
| Platform Width - I.D. Steel | 3ft-1in | .94m |
| Crossover Height Clearance | 7ft-4in | 2.23m |
| Maximum Lowering Depth | 16ft-8in | 5.09m |
| Tower Separation Width | 5ft-6in | 1.68m |
| Total Weight (Approximate) | 30,000lbs | 13,607kg |
| Platform Weight Capacity | 1,000lbs. | 454kg |
| Platform Rotation | 180° | 180° |
| Maximum Grade | 4.5% (7.8%) | 4.5% (7.8%) |
| Maximum Super Elevation | 5% (8.75%) | 5% (8.75%) |
| Standards Compliance | ANSI A92.20 | ANSI A92.20 |
| TRAVEL POSITION SPECIFICATIONS | US | Metric |
|---|---|---|
| Unit Length | 31ft-2in | 9.50m |
| Unit Width | 8ft-6in | 2.59m |
| Unit Height | 12ft-7in | 3.84m |
You Operate it, or We’ll Operate it for you.
Even though Anderson UnderBridge Inspection Platforms perform complex functions, they are pretty simple to operate. With a day of training at our facility in York, SC, or at your jobsite if that’s your choice, you can easily learn all you need to know for full operation.
Identifying someone on your team with the time to operate it may be harder than actually operating it. Problem solved! We have trained operators, and can include that in our proposal to you. We handle all of the details:
Do you want to operate it, or contract us?
Do you want to pick it up, or have us deliver it?
Do you want it for a year, a month, a week or a few days?
We’ll help you figure out the variables, and get an Anderson UnderBridge Platform working for you.
Learn about our services:
Also Consider
Explore Additional Services
Certifications
Annual inspections and documentation ensuring regulatory compliance
View CertificationsDelivery Services
Transportation of equipment directly to your worksite nationwide
View Delivery ServicesTraffic Control
Coordination of lane closures and traffic management for project safety
View Traffic ControlService and Parts
Expert equipment service and genuine OEM parts to ensure peak performance
View Service and Parts